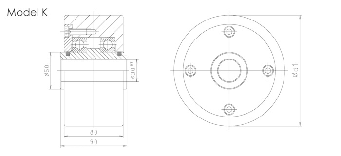
Model K, G
- For use in areas at risk of corrosion
- For particularly low-noise, floor-protecting operation
- With lower demands on load capacity and robustness than steel wheels
- For cases of minimized electrical conductivity (plastic)
Product Overview
Maintenance-free construction, which has advantages over the steel wheel, especially in maritime environments and where there is a risk of corrosion. Can be combined with fixed and steerable castors, with plastic also with castors. Soil-friendly material, but more susceptible to knocks and bumps than steel.
- Solid, ball-bearing basic construction
- Available with different suspensions
- Special constructions on customer request
Product resources
Technical specifications
| Size | Suitable suspensions of the series | Load Capacity (kN) | Weight (kg) | ||||||
|---|---|---|---|---|---|---|---|---|---|
| Plastic | Rubber | K | G | K | G | ||||
| 150K | SF | SL | SD | 20 | 3.7 | ||||
| 175K | SF | SL | SD | 20 | 4.3 | ||||
| 200K | SF | SL | SD | 30 | 5.0 | ||||
| 225K | SF | SD | 30 | 5.8 | |||||
| 250K | SF | SD | 35 | 6.7 | |||||
| 250 G | SF | SD | 10 | 9.0 | |||||
| 265g | SF | SD | 15 | 10.0 | |||||
| 275K | SF | SD | 35 | 7.6 | |||||
| 300K | SF | SD | 35 | 8.7 | |||||
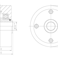
Dimension
Dimensions (mm)
| Size | a | b | Ø d1 | Ø d2 | Ø d3 | ||||
|---|---|---|---|---|---|---|---|---|---|
| Plastic | Rubber | ||||||||
| 150K | 80 | 90 | 150 | 30 | 50 | ||||
| 175K | 80 | 90 | 175 | 30 | 50 | ||||
| 200K | 80 | 90 | 200 | 30 | 50 | ||||
| 225K | 80 | 90 | 225 | 30 | 50 | ||||
| 250K | 80 | 90 | 250 | 30 | 50 | ||||
| 250G | 130 | 145 | 250 | 30 | 50 | ||||
| 265G | 160 | 175 | 265 | 30 | 50 | ||||
| 275K | 80 | 90 | 275 | 30 | 50 | ||||
| 300K | 80 | 90 | 300 | 30 | 50 | ||||
Services and support
Whether it is choosing the right tool for the job, improving technical and operational knowledge or product maintenance and warranty, HES is here to help.
Tell me moreEnquire now
Want to know more about the range? Our product team are on hand to support you with your requirements. Speak to our team today.
Enquire