Complete Transport Kit
- A speed of 5m/min should not be exceeded
- Allows turning corners by using turntables and packing plates
Product Overview
Borkey’s Complete Transport Kit provides a reliable solution for moving light to moderately heavy loads such as machinery and machinery parts over short distances. The stable, low-profile design of the kit allows for smooth and safe transport without the risk of tipping.
The kit is available with either twin or single rollers (Model Hercules) or Model N roller skates and includes individual turntables or turntables mounted on the skates, levelling plates, handles and link-up bars, enhancing versatility and expanding its range of applications.
In addition to hardened steel chain rollers, the skates are also available with polyamide chain rollers (PA6), which have a lower capacity but significantly reduce floor damage while maintaining efficient load movement.
- Stable, solid basic construction
- Low level construction
- Accessories for turning corners
Product resources
Mod. Hercules, Hercules PA6
| Model | Rollers Ø Twin | Rollers Ø Single | Length Support | Width support | Total height | Swivel-pl. Ø | Max. load kN | Weight of set |
|---|---|---|---|---|---|---|---|---|
| Hercules | 30 | 24 | 200 | 130 | 110 | 250 | 350 | 68 |
| Hercules PA 6 | 30 | 24 | 200 | 130 | 110 | 250 | 120 | 68 |
Complete Transport kit Mod. N, N-PA6
| Model | Rollers Ø | Length Support | Width Support | Total Height | Swivel-pl. Ø | Max load kN | Weight of set |
|---|---|---|---|---|---|---|---|
| I | 18 | 120 | 120 | 108 | 130 | 200 | 48 |
| II | 24 | 120 | 120 | 117 | 130 | 300 | 56 |
| II-PA6 | 24 | 120 | 120 | 117 | 130 | 120 | 53 |
| III | 30 | 130 | 130 | 140 | 150 | 600 | 90 |
| III-PA6 | 30 | 130 | 130 | 140 | 150 | 200 | 82 |
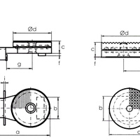
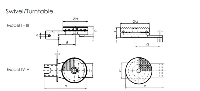
Dimension
Dimensions (mm)
| Model | a | b | c | Ød | d | e | f | g | h | i | Weight kg |
|---|---|---|---|---|---|---|---|---|---|---|---|
| Swivel/Turntable | |||||||||||
| I | 220 | 73 | 42 | 130 | - | 11 | 8 | 87 | 5 | 4.5 | 220 |
| II | 220 | 86 | 42 | 130 | - | 11 | 8 | 87 | 5 | 4.5 | 220 |
| III | 250 | 96 | 48 | 150 | - | 11 | 8 | 108 | 5 | 6.7 | 250 |
| IV | 275 | 114 | 61 | 190 | - | - | 3 | 165 | 11 | 13.7 | 275 |
| V | 360 | 128 | 61 | 220 | - | - | 3 | 235 | 11 | 18.9 | 360 |
| Packing/Leveling Plate | |||||||||||
| I | 149 | 73 | 42 | - | 120 | - | 8 | 87 | - | 5 | 3.7 |
| II | 149 | 86 | 42 | - | 120 | - | 8 | 87 | - | 5 | 3.7 |
| III | 178 | 96 | 48 | - | 130 | - | 8 | 108 | - | 5 | 5.3 |
| IV | 270 | 114 | 61 | - | 180 | - | 3 | 165 | - | 11 | 13.8 |
| V | 350 | 128 | 61 | - | 200 | - | 3 | 235 | - | 11 | 18.8 |
Services and support
Whether it is choosing the right tool for the job, improving technical and operational knowledge or product maintenance and warranty, HES is here to help.
Tell me moreEnquire now
Want to know more about the range? Our product team are on hand to support you with your requirements. Speak to our team today.
Enquire